介紹: 利達LD3600ET主要用于火災報警控制器的二總線回路中,隔離線路中的短路點,保證線路中的其他設備的正常運行。可以與 利達公司生產的全系列火災報警控制器配合使用。本產品無污染、功耗低,適用于各種工業及民用建筑。
功能:
★ 二總線,無極性,不占地址點。
★ 不需要外接電源。
★ 單向使用。
主要技術指標:

外形結構示意圖:

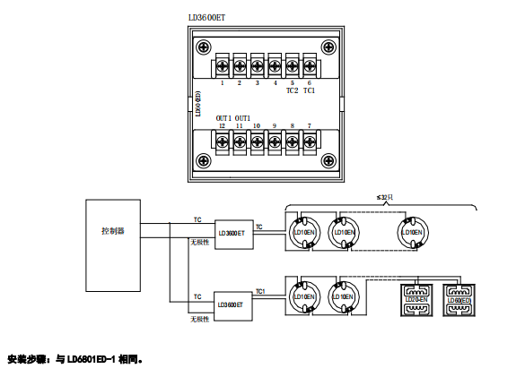
端子圖與接線示意圖:

北京利達華信電子股份有限公司
公司地址:常熟市黃河路275號
聯系電話:4006-598-119
公司郵箱:1334605518@qq.com
作者: 發布時間:2024-11-23 15:21:31點擊:4068
介紹: 利達LD3600ET主要用于火災報警控制器的二總線回路中,隔離線路中的短路點,保證線路中的其他設備的正常運行。可以與 利達公司生產的全系列火災報警控制器配合使用。本產品無污染、功耗低,適用于各種工業及民用建筑。
功能:
★ 二總線,無極性,不占地址點。
★ 不需要外接電源。
★ 單向使用。
主要技術指標:

外形結構示意圖:

端子圖與接線示意圖:
