利達LD1002EN火災聲光警報器(兩線制,編碼型)
介紹:
火災聲光警報器 LD1002EN 是安裝在現場的聲光警報設備,產品工作穩定可靠,具有較強的抗干擾能力,主要用于人群集中的場所,當現場發生火災
并確認后,安裝在現場的火災聲光警報器可由消防控制中心的火災報警控制器啟動,發出強烈的聲光報警信號,提醒現場人員注意和疏散。LD1002EN 火
災聲光警報器,可以與本公司生產的全系列火災報警控制器配合使用,適用于各種工業及民用建筑。滿足 GB 26851-2011《火災聲和/或光警報器》、
CNCA-C18-01《強制性產品認證實施規則》、CCCF-CCC-03《強制性產品認證實施細則》,取得消防產品 3C 認證證書。
功能:
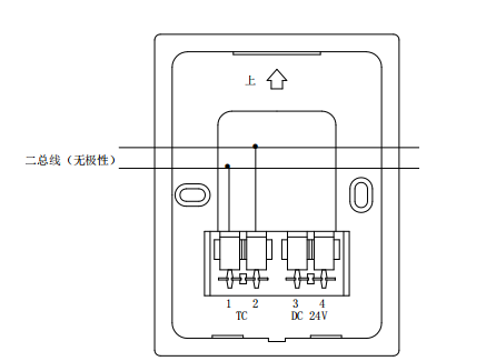
★ 二總線,無極性。無需外接 DC 24V 電源。
★ 采用電子編碼,占一個地址點(0~255)。
★ 啟動后自動返給控制器反饋信息。
★ 與廣播交替時光保持閃亮,聲和廣播交替進行。
★ 可配接我公司在售的全系列火災報警控制器。
主要技術指標:

外形結構示意圖: 與 LD1001EN 相同。
接線示意圖:

安裝步驟:與 LD1001EN 相同。



蘇公網安備32058102002170號
客服1